

Прикрепленный файл iPhone 4.zip ( 2,79 МБ) Прикрепленный файл iPhone 4S.zip ( 3,52 МБ) Прикрепленный файл iPhone 5.zip ( 10,4.
Демонтируем экран для того что бы добраться до CPU iPhone 5. посетителям нашего сайта – скачать принципиальную схему смартфона iPhone 5.
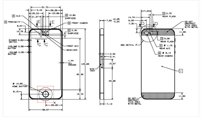
Вот полноценные схемы для Apple iPhone, на 4 и 4S выложено чуть выше. Схема и расположение элементов IPad 3 и iPhone 5.
Скачать схемы и сервис-мануалы для apple iPhone 5
[Мануал] Схемы, мануалы и фотографии плат Iphone (2G/3G/3GS/4/4CDMA/4S/5/5C/5S/6/6+) . Ipad (1/2/3/4/Mini/Air) 10.0 [Trial, RUS + ENG] :: RuTracker.org

В сети появились схемы iPhone 5S и бюджетного iPhone 25; Скачать evasi0n для Mac и Windows [ссылки] Ну наконец-то это.
Префикс: Мануал Год выпуска: 2015 г. Жанр: Service Documentation Разработчик: Apple . Remake OM Tesla . Xrust . vint89 . procrustis . Mihail_tm . FARIC . 130877 . Matro7kin . weaver . air_chair256 . ElektroNIK38 . BELYI_AKA . yarikoslav . MotoDaymon . abraziff . tesla-02 . skyvan . boomboom . TRALOL . maxluq . Dushman . Rewert . masterminimal . Издательство: Apple. Mobile-files . Тип издания: Trial Версия: 10.0 Язык интерфейса: Русский + Английский Таблэтка: не требуется Системные требования: Архиватор WinRar / Любая программа для просмотра изображений / Любая программа для просмотра pdf / Adobe Reader 11.0.09 Font Packs - Asian and Extended Language Pack. Описание: В сборник вошли схемы и их ремейки уважаемого OM Tesla , а так же фотографии плат , техническая документация и инженерные схемы .